|  |  | 
 
					
						
							|  | 
	
		| 
   
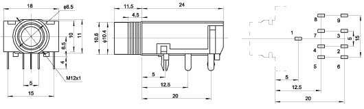
    | Аудио-видео гнезда серии CK6.35 |   
    | CK3-6.35-4Разъем аудио стерео, 6,35 мм
 
           
            |  |   
            |  |   
            | Спецификация 
 
                 
                  | Температура | -20 ... +70°C |   
                  | Номинальная нагрузка | DC 50V 1A |   
                  | Сопротивление контактов | < 0,03 Ом |   
                  | Сопротивление изоляции | > 100 МОм |   
                  | Напряжение пробоя | AC 500V (50Гц) / мин. |   
                  | Усилие соединения и разъединения | 5-35N |   
                  | Ресурс | 10000 соединений |  |   
            |  |   
            | Схема обозначений CK3-6.35-04X
 
 
                 
                  | X | A | B | C | D | E | F | I | J |   
                  | Схема |  |  |  |  |  |  |  |  |     
                  | K | L | M | N | P | Q | R | S | T |   
                  |  |  |  |  |  |  |  |  |  |    |   
            |  |  |  |  |  |    
						
							| 
									
										| 
												Уважаемые покупатели! Из-за быстро меняющихся, независящих от нас обстоятельств, цены, опубликованные в Магазине, могут оказаться недействительными, не являются окончательными, предназначены только для предварительного ознакомления и ни при каких обстоятельствах не являются публичной офертой. Актуальные цены необходимо уточнять у менеджеров.Информацию о наличии товаров и свежих ценах уточняйте у наших менеджеров, они устанавливают окончательные цены при оформлении заказа в зависимости от количества товара и истории клиента. Также можно отправить запрос, нажав ссылку: 
												sales@dart.ruПредставленная техническая информация и размеры на чертежах, опубликованные на сайте, носят справочный характер и не предназначены для использования в конструкторской документации без согласования с нами и ни при каких обстоятельствах не являются публичной офертой.Возможность поставки товаров, где не указан код товара, уточняйте у наших менеджеров.Перед закладкой компонентов в серийные изделия необходимо запрашивать образцы, в противном случае претензии не принимаются! |  |  |  |  |