Óïàêîâêà è âåñ
 

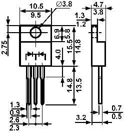
TO-220