электронные компоненты
Тел./факс в Москве:
+7 (495) 660-36-20
+7 (495) 662-98-49
+7 (495) 788-52-44
 
Бесплатный звонок по России: 8-800-333-11-43
Звоните: ПН-ЧТ с 8-00 до 17-45, ПТ с 8-00 до 17-00 (МСК)

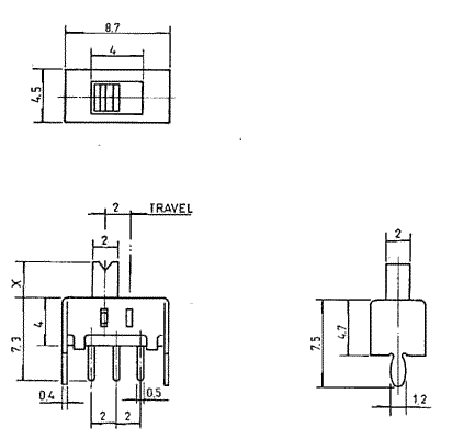
Переключатели движковые (Slide)

Серия SS (1P2T)

стр. [1] 2 3 4 5 6 7 8 9 10 11 12

Спецификация:

Сопротивление контактов: <30 мОм при 1А пост.
Сопротивление изоляции: >100 МОм при 500В пост.
Противостояние напряжению: 500В перем. в течение 1 минуты
Ресурс: 10 000 циклов
Схема:

При заказе необходимо указывать длину токателя!!!
Марка Внешний вид Параметры Толкатели Чертежи
SS-12D01 SS-12D01, Серия SS (1P2T), Переключатели движковые (Slide) 1P2T
0,3А 50В DC
TBA переключатель движковый прямой 1P2T
SS-12D02 SS-12D02, Серия SS (1P2T), Переключатели движковые (Slide) 1P2T
0,3А 50В DC
VAC
TAC
GEE
переключатель движковый прямой 1P2T
SS-12D03 SS-12D03, Серия SS (1P2T), Переключатели движковые (Slide) 1P2T
0,3А 50В DC
TBA переключатель движковый прямой 1P2T
SS-12D06 SS-12D06, Серия SS (1P2T), Переключатели движковые (Slide) 1P2T
2А 125В AC
GDN
GBD
переключатель движковый прямой 1P2T
SS-12D07 SS-12D07, Серия SS (1P2T), Переключатели движковые (Slide) 1P2T
0,3А 30В DC
Дополнительно ручки и размер (L)
VG 2-9
Standart: L=2, 4, 6 mm
  переключатель движковый прямой 1P2T
SS-12D08 SS-12D08, Серия SS (1P2T), Переключатели движковые (Slide) 1P2T
Ход: D:2.0мм
Сопротивление контактов: 50мОм max
Рабочее усилие: по заказу
Без нагрузки 15-18 циклов в мин.
  переключатель движковый прямой 1P2T
SS-12D09 SS-12D09, Серия SS (1P2T), Переключатели движковые (Slide) 1P2T
0,3А 50В DC
VAC
TAC
GEE
переключатель движковый прямой 1P2T
SS-12D10 SS-12D10, Серия SS (1P2T), Переключатели движковые (Slide) 1P2T
2А 125В AC
GDN
GBD
переключатель движковый прямой 1P2T
SS-12D11 SS-12D11, Серия SS (1P2T), Переключатели движковые (Slide) 1P2T
2А 125В AC
GDN
GBD
переключатель движковый прямой 1P2T
SS-12D12 SS-12D12, Серия SS (1P2T), Переключатели движковые (Slide) 1P2T
0,3А 50В DC
VAC
TAC
GEE
переключатель движковый прямой 1P2T
SS-12D13 SS-12D13, Серия SS (1P2T), Переключатели движковые (Slide) 1P2T
0,3А 50В DC
VAC
TAC
GEE
переключатель движковый прямой 1P2T
SS-12D18 SS-12D18, Серия SS (1P2T), Переключатели движковые (Slide) 1P2T
0,3А 50В DC
VAC
GEE
переключатель движковый прямой 1P2T


стр. [1] 2 3 4 5 6 7 8 9 10 11 12


 

  • Уважаемые покупатели! Из-за быстро меняющихся, независящих от нас обстоятельств, цены, опубликованные в Магазине, могут оказаться недействительными, не являются окончательными, предназначены только для предварительного ознакомления и ни при каких обстоятельствах не являются публичной офертой. Актуальные цены необходимо уточнять у менеджеров.
  • Информацию о наличии товаров и свежих ценах уточняйте у наших менеджеров, они устанавливают окончательные цены при оформлении заказа в зависимости от количества товара и истории клиента. Также можно отправить запрос, нажав ссылку: sales@dart.ru
  • Представленная техническая информация и размеры на чертежах, опубликованные на сайте, носят справочный характер и не предназначены для использования в конструкторской документации без согласования с нами и ни при каких обстоятельствах не являются публичной офертой.
  • Возможность поставки товаров, где не указан код товара, уточняйте у наших менеджеров.
  • Перед закладкой компонентов в серийные изделия необходимо запрашивать образцы, в противном случае претензии не принимаются!
  ©1990-2026 Компания ДАРТ. Все права защищены.