|
|
|
|
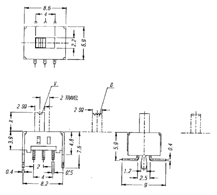
Переключатели движковые (Slide) |
Серия SS (2P2T)
стр. [1]
2
3
4
5
6
7
8
9
10
Спецификация:
Сопротивление контактов: <30 мОм при 1А пост.
Сопротивление изоляции: >100 МОм при 500В пост.
Противостояние напряжению: 500В перем. в течение 1 минуты
Ресурс: 10 000 циклов
|
При заказе необходимо указывать длину токателя!!!
SS22D02
SS22D12 |
 |
2P2T
0,3А 50В DC |
 |
VAC
PGB
GEE
|
 |
| SS22D03 |
 |
2P2T
0,3А 50В DC |
 |
VAC
PGB
GEE
|
 |
| SS22D06 |
 |
2P2T
0,3А 50В DC |
Схема:
 |
VAC
PGB
GEE
|
 |
| SS22D07 |
 |
2P2T
0,3А 50В DC |
 |
VAC
PGB
GEE
|
 |
| SS22D10 |
 |
2P2T
0,3А 50В DC |
 |
VAC
PGB
GEE
|
 |
| SS22D12 |
 |
2P2T
0,3А 50В DC |
Схема:
 |
VAC
PGB
GEE
|
 |
| SS22D13 |
 |
2P2T
0,3А 50В DC |
 |
VAC
PGB
GEE
|
 |
| SS22D15 |
 |
2P2T
0,3А 50В DC |
 |
RAA |
 |
| SS22E01 |
 |
2P2T
0,5А 50В DC |
 |
GEF
|
 |
| SS22E02 |
 |
2P2T
0,3А 30В DC |
 |
|
 |
| SS22E10 |
 |
2P2T
0,5А 50В DC |
 |
GEF
|
 |
| SS22E11 |
 |
2P2T
0,3А 30В DC |
 |
|
 |
| SS22F01 |
 |
2P2T
0,5А 50В DC |
 |
ATA
TAN
UBA
GAD
GAE
GAC
NYA
GAF
MXD
GBR
GAB
GAA
GDB |
 |
| SS22F03 |
 |
2P2T
0,5А 50В DC |
 |
AYA
NTC
GEY |
 |
стр. [1]
2
3
4
5
6
7
8
9
10
|
|
|
|
|
- Уважаемые покупатели! Из-за быстро меняющихся, независящих от нас обстоятельств, цены, опубликованные в Магазине, могут оказаться недействительными, не являются окончательными, предназначены только для предварительного ознакомления и ни при каких обстоятельствах не являются публичной офертой. Актуальные цены необходимо уточнять у менеджеров.
- Информацию о наличии товаров и свежих ценах уточняйте у наших менеджеров, они устанавливают окончательные цены при оформлении заказа в зависимости от количества товара и истории клиента. Также можно отправить запрос, нажав ссылку:
sales@dart.ru
- Представленная техническая информация и размеры на чертежах, опубликованные на сайте, носят справочный характер и не предназначены для использования в конструкторской документации без согласования с нами и ни при каких обстоятельствах не являются публичной офертой.
- Возможность поставки товаров, где не указан код товара, уточняйте у наших менеджеров.
- Перед закладкой компонентов в серийные изделия необходимо запрашивать образцы, в противном случае претензии не принимаются!
|
|
|
|
|